همه محصولات
-
گیج فشار دیفرانسیل
-
فشار سنج دیجیتال
-
گیج فشار استنلس استیل
-
ترانسمیتر فشار دقیق
-
کنترل کننده منطقی قابل برنامه ریزی
-
سوئیچ سطح شناور
-
موقعیت یابی شیر پنوماتیک
-
سنسور فرستنده دما
-
ارتباط دهنده هارت فیلد
-
شیر برقی
-
شیرهای کنترل
-
فلومتر با دقت بالا
-
پمپ آب شناور
-
منیفولد فرستنده فشار
-
سطح سنج اولتراسونیک
-
متر برق جریان ولتاژ
Rexroth AVENTICS R431007252 Poppet valve
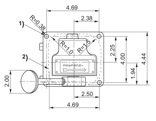
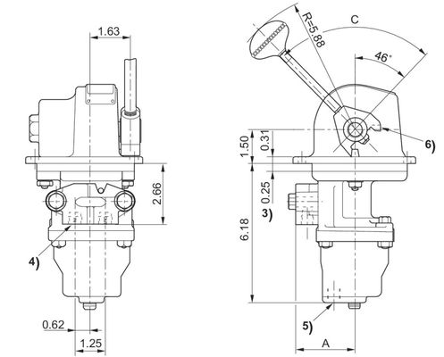
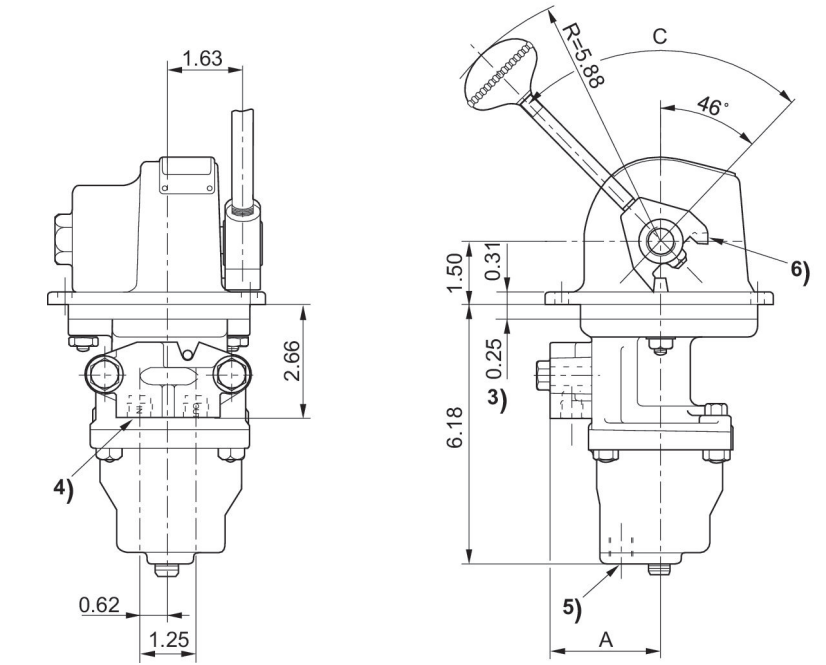
جزئیات محصول
| نوع | دریچه | عنصر فعال کننده | اهرم |
|---|---|---|---|
| ورودی اتصال هوای فشرده | 1/4 NPT | خروجی نوع اتصال هوای فشرده | موضوع داخلی |
| فشار کار حداقل. | 0.1 بار | فشار کار حداکثر | 14 بار |
| محدوده تنظیم حداقل | 0.1 بار | حداکثر محدوده تنظیم | 8.6 بار |
| واسطه | هوای فشرده | وزن | 2.5 کیلوگرم |
| برجسته کردن | Rexroth AVENTICS poppet valve,R431007252 control valve,industrial poppet valve with warranty,R431007252 control valve,industrial poppet valve with warranty |
||
توضیحات محصول
Rexroth AVENTICS R431007252 Poppet valve
![]()
محصولات توصیه شده


