همه محصولات
-
گیج فشار دیفرانسیل
-
فشار سنج دیجیتال
-
گیج فشار استنلس استیل
-
ترانسمیتر فشار دقیق
-
کنترل کننده منطقی قابل برنامه ریزی
-
سوئیچ سطح شناور
-
موقعیت یابی شیر پنوماتیک
-
سنسور فرستنده دما
-
ارتباط دهنده هارت فیلد
-
شیر برقی
-
شیرهای کنترل
-
فلومتر با دقت بالا
-
پمپ آب شناور
-
منیفولد فرستنده فشار
-
سطح سنج اولتراسونیک
-
متر برق جریان ولتاژ
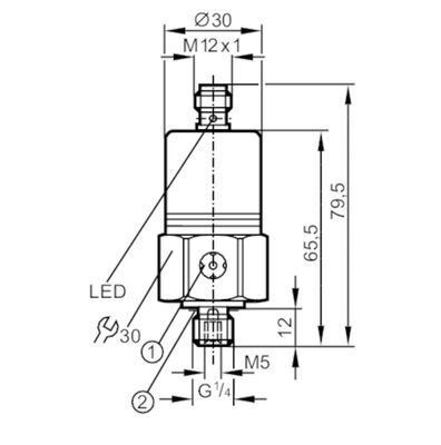
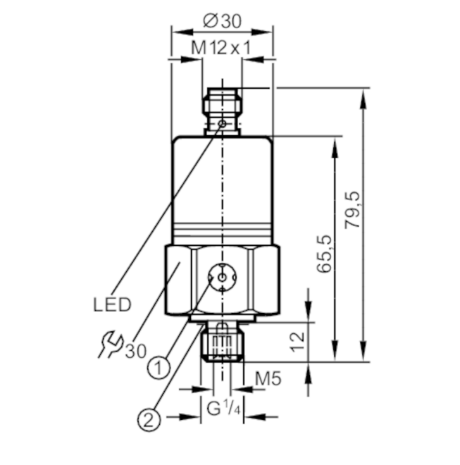
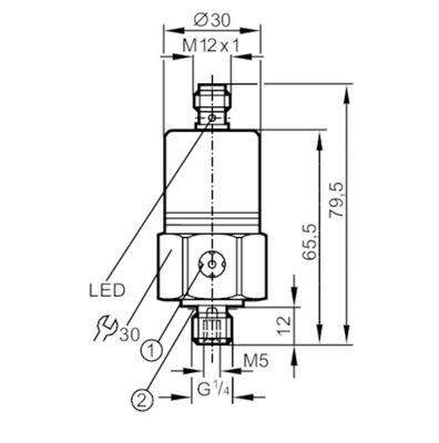
IFM PP7553 سوئیچ فشار با سلول اندازه گیری سرامیکی
جزئیات محصول
| رسانه ها | مایعات و گازها | دمای متوسط | -25...90℃ |
|---|---|---|---|
| ولتاژ کاری | 9.6...36 DC | مصرف فعلی | < 45 میلی آمپر |
| دمای محیط | -25...85℃ | دمای ذخیره سازی | -40...100 درجه سانتی گراد |
| حفاظت | IP68 | وزن | 2 کیلوگرم |
| برجسته کردن | سوئیچ فشار IFM PP7553,سوئیچ فشار با سلول اندازهگیری سرامیکی,سوئیچ ولت آمپر وات متر,ceramic measuring cell pressure switch,voltage current power meter switch |
||
توضیحات محصول
IFM PP7553 سوئیچ فشار با سلول اندازه گیری سرامیکی
طراحی قوی برای استفاده در محیط های صنعتی خشن
دو خروجی سوئیچینگ، یکی از آنها می تواند به عنوان خروجی تشخیصی پیکربندی شود
مقاومت بالا در برابر ضربه و ارتعاش
طول عمر بیش از 100 میلیون چرخه فشار
![]()
محصولات توصیه شده


